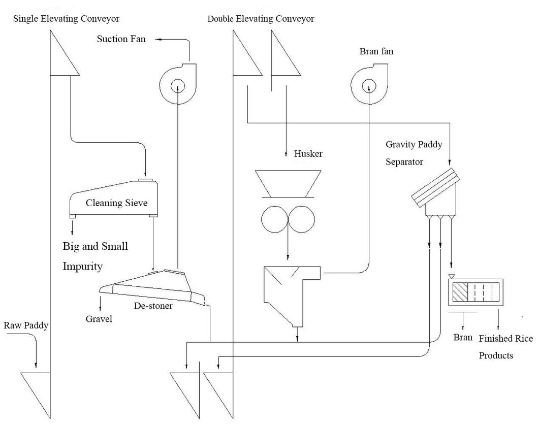
6LN-15/15SD Complete Set Combined Rice Mill Introduction 6LN-15/15SD Complete Set Combined Rice Mill combined with Rice Cleaner, TQLQ45 De-stoner, Husker, Separator, Rice Whitener, Rice Grader, Elevators, Motors & Spare Parts. It features great paddy and husked rice separating perform......



| Item | 6LN-15/15SD |
| Capacity (KG/h) | 600-900 |
| Rice Milling Rate | 68% - 72% |
| Broken Rice Rate | 2% |
| Power | 22-25 KW |
| Weight | 1300 KG |
| Dimension | 1500*2700*2900 (L*W*H) mm |
Cassava Crusher Cutting Rasping Machine for Tapioca Starch Making Line
High Quality Paddy Rice Processing Machine Rotary Sieve Grader Cheap Price Rotary Rice Grader
Professional Agro Machine Rice Miller Paddy Processing Machine
Grain Shelling Machine for Farm with Rice Stone Remove Equipment
400-500kg/H Small Combined Rice Mill Combined Rice Mill
400-500kg/H Small Auto Rice Mill Machine Rice Processing Machine